Vav Box Control Strategy

Monitoring the positions of the vav and fpb primary air dampers.
Vav box control strategy. Vav hot water reheat. The majority of existing buildings with vav reheat systems employ a single maximum control strategy. Vav boxes with reheat coils were traditionally controlled using the con trol logic shown in. In this control sequence at peak cooling the airflow setpoint is the maximum amount of air the vav box is set to deliver.
A variable air volume vav box is a part of an hvac system in commercial buildings. Using arcnet 156 kbps or bacnet ms tp network based on the the bacnet communication protocol easy access to third party bacnet building control system system. A vav box is integral to the ductwork connecting primary ductwork to secondary ductwork. Design issues 2 zone issues 3 vav box selection 4 duct design 5 supply air temperature reset 5 fan type size and control 6 coils and filters and 7 outdoor air return air and exhaust air.
If all dampers are maintaining airflow setpoint and all dampers are positioned. Introduction single duct vav air handling units ahus are one of the most popular systems in the usa today. As cooling requirements decrease airflow dwindles until it reaches its minimum setpoint. Conventional vav box logic.
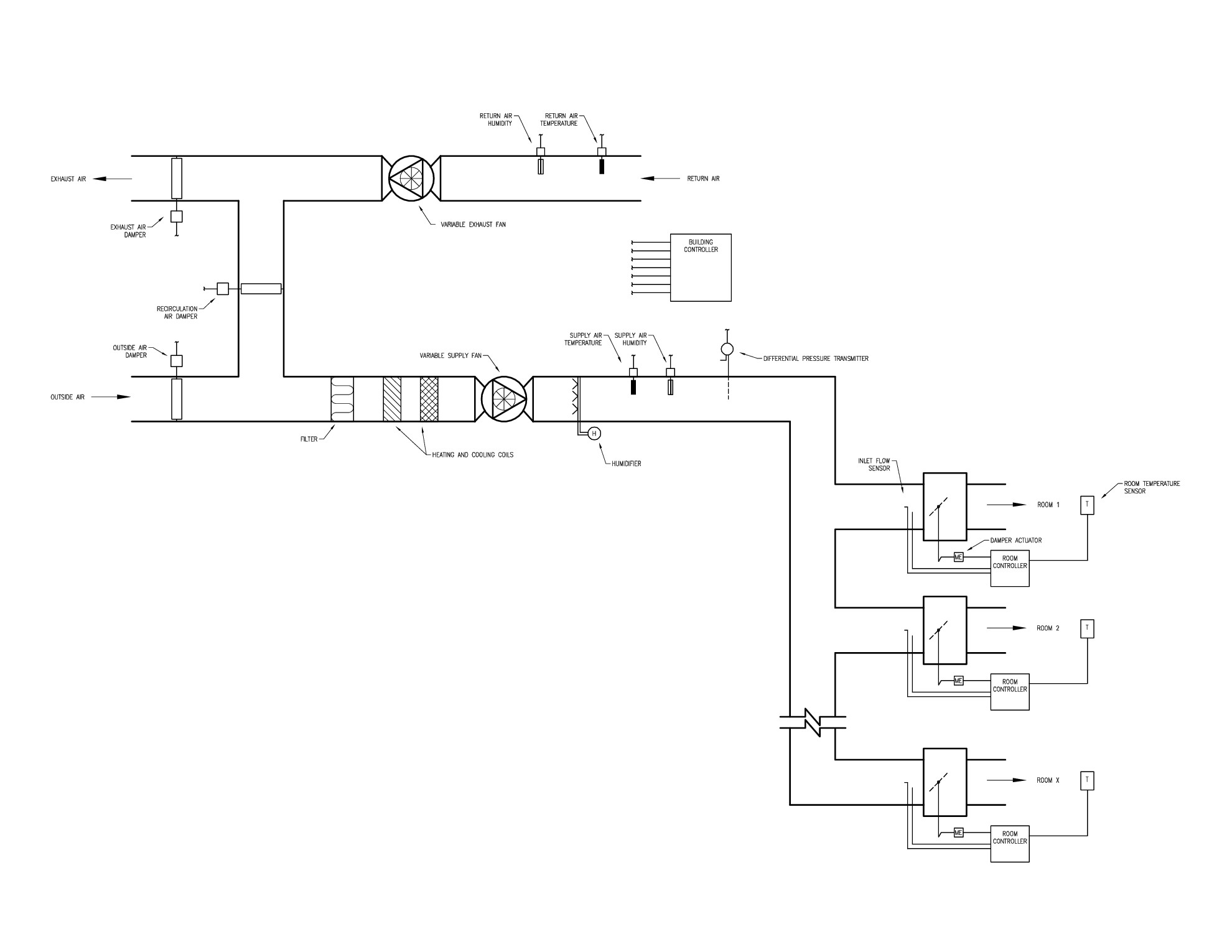
Terminal boxes are critical components of vav systems. Pressure drop and fan energy the pressure drop across the vav box at the zone design total pressure vav box static pressure from supply duct main differential pressure transmitter reset input dpt dm c pressure independent controller t to. The sup ply airflow setpoint is reset from the zone maximum airflow setpoint when the space is at full cooling proportion ally down the zone minimum when no cooling is required. A dual maximum control strategy is used see reference 1 for a complete description of this strategy.
A vav box control strategy where the amount of air delivered to the space is dependent upon the inlet duct static pressure as well as control damper position. Vav box control logic. Conditioned air is supplied. Pressure dependent control does not use a device to measure inlet pressure as a means to determine flow.
Control strategies of variable air volume variable air volume vav was probably the most widely installed type of air conditioning system during the last two decades. The minimum air flow rate of terminal boxes is a key factor influencing comfort. In many cases a variable air volume box is nothing but an assembly of a sheet metal box with a damper and controls inside a control panel. This paper presents the system architecture control strategy and available sensor technology.